五金工具類
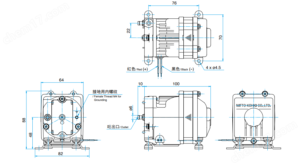
NITTO日東工器 DC線性驅動活塞壓縮泵
NITTO日東工器 DC線性驅動活塞壓縮泵
額定壓力
100 kPa
(1.0 kgf/cm2)
最大壓力
120 kPa
(1.2 kgf/cm2)
吐出空氣量
1.0 L/min ※
額定電壓
24V



湖南中村貿易有限公司代理銷售品牌: 日本TRUSCO中山、HOZAN寶山、VESSEL威威、SSD西西蒂、BONKOTE邦可、MALCOM馬康、METCAL奧科、PISCO碧鑠科、OHTAKE大武、OPK鷗琵凱、ELM易之美、HAKKO EIGHTRON八興、KURABO、New-Era新時代、德國KAISER+KRAFT皇加力、YODOGAWA淀川、SUIDEN瑞電、TECHNO DESIGN、AQUA安跨、ORION好利旺、韓國SP、FURUTO古藤、SOKUDOU速度、KANE凱恩、
日本ADA水分計/微量電子天平 日本KETTI水分計 日本愛森(EISEN)針規、日本三高(SANKO)膜厚計、理研(RIKEN)水平儀、日本佐藤(SATO)溫濕度計、TASCO溫濕度記錄儀、JPG(螺紋環規、塞規)、日本東日(TOHNICHI)、思達(CEDAR)扭力工具、日本勝利(VICTOR)鉗子、氣剪、SHINANO(信濃打磨機,拋光機)、SHOWA昭和振動計、日本中西(NSK)研磨工具、MINIMO研磨工具、日本愛光(AIKOH)、日本依夢達(IMADA)、SUCCESS成功推拉力計和引張力試驗機,日本大冢(OTSUKA)放大鏡、日本必佳(PEAK)放大鏡、日本得樂(TECLOCK)量具